Aktuelle Informationen! (05 Feb. 2026)
Nicht vergessen: Nächstes Mitgliedertreffen vom 24. bis 26. April 2026 im Hotel Restaurant Sachsenross, Ob. Dorfstraße 32, 37176 Nörten-Hardenberg bei Göttingen.
Frage Kühlerlüfter laufen nicht
- Chris Schneider
-
- Offline
- Elite Mitglied
-
- Beiträge: 786
- Thanks: 8
Re: Kühlerlüfter laufen nicht
23 Apr. 2015 16:31 - 23 Apr. 2015 16:33
Hallo Axel
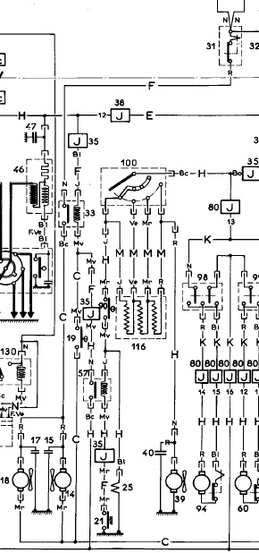
Du schreibst, dass die Lüfter laufen wenn die Klima an ist - das heisst, das Relais 33 zieht an und ist via Thermosicherungen auch mit Spannung versorgt - vorausgesetzt da wurde nichts gebastelt.
Das Lüfterrelais 33 kann über zwei Wege durchgesteuert werden: einseits via Relais 57 das wiederum via Klimaanlagensteuerung angesteuert wird (entspricht dem Fall oben), oder eben über den Thermoschalter 19 der die Spule von Relais 33 direkt an Masse legt.
Den Thermoschalter hast Du überbrückt und hast das Relais klicken hören, aber ohne die Lüfter anlaufen zu sehen - das beisst sich mit der ersten Aussage, (Lüfter laufen mit Klima) da beide Signale über das gleiche Relais 33 laufen.
Ich tippe auf Bastelei, oder auf Wackelkontakte in den Relais oder den Lüfterkontakten, oder eine nette Kombination davon.
Wenn du standard KFZ Relais zur Verfügung hast, (gibts in jeder Autobude oder aus einem Abbruchwagen, zur Not tuts auch temporär eins aus deinem Alltagsauto) kannst du mal so eins aufstecken und dann testen was passiert. Peters Tipp mit Kontaktspray sei dir hier warm ans Herz gelegt.
Falls das nix nützt sind die nächsten Kandidaten die beiden Thermosicherungen 31/32 direkt bei den Relais. Möglicherweise lassen die nur noch begrenzt oder je nach Laune gar keinen Saft mehr durch. Überbrückt die mal (temporär!!!) und schau ob sich was tut. Vielleicht hat da mal ein Schlaumeier einen Bypass gelegt.
Was auch gern wackelt sind die Rundstecker der Lüftermotoren. Ausstecken, einsprühen, zusammendrücken und wieder aufstecken.
Anbei der entsprechende Ausschnitt des Stromlaufplans als Referenz.
Viele Grüsse,
Chris
Du schreibst, dass die Lüfter laufen wenn die Klima an ist - das heisst, das Relais 33 zieht an und ist via Thermosicherungen auch mit Spannung versorgt - vorausgesetzt da wurde nichts gebastelt.
Das Lüfterrelais 33 kann über zwei Wege durchgesteuert werden: einseits via Relais 57 das wiederum via Klimaanlagensteuerung angesteuert wird (entspricht dem Fall oben), oder eben über den Thermoschalter 19 der die Spule von Relais 33 direkt an Masse legt.
Den Thermoschalter hast Du überbrückt und hast das Relais klicken hören, aber ohne die Lüfter anlaufen zu sehen - das beisst sich mit der ersten Aussage, (Lüfter laufen mit Klima) da beide Signale über das gleiche Relais 33 laufen.
Ich tippe auf Bastelei, oder auf Wackelkontakte in den Relais oder den Lüfterkontakten, oder eine nette Kombination davon.
Wenn du standard KFZ Relais zur Verfügung hast, (gibts in jeder Autobude oder aus einem Abbruchwagen, zur Not tuts auch temporär eins aus deinem Alltagsauto) kannst du mal so eins aufstecken und dann testen was passiert. Peters Tipp mit Kontaktspray sei dir hier warm ans Herz gelegt.
Falls das nix nützt sind die nächsten Kandidaten die beiden Thermosicherungen 31/32 direkt bei den Relais. Möglicherweise lassen die nur noch begrenzt oder je nach Laune gar keinen Saft mehr durch. Überbrückt die mal (temporär!!!) und schau ob sich was tut. Vielleicht hat da mal ein Schlaumeier einen Bypass gelegt.
Was auch gern wackelt sind die Rundstecker der Lüftermotoren. Ausstecken, einsprühen, zusammendrücken und wieder aufstecken.
Anbei der entsprechende Ausschnitt des Stromlaufplans als Referenz.
Viele Grüsse,
Chris
Letzte Änderung: 23 Apr. 2015 16:33 von Chris Schneider.
Bitte Anmelden oder Registrieren um der Konversation beizutreten.
- P.Biehl
-
- Offline
- Platinum Mitglied
-
- Beiträge: 5859
- Thanks: 22
Bitte Anmelden oder Registrieren um der Konversation beizutreten.
- Axel F.
-
Autor
- Offline
- Elite Mitglied
-
- Beiträge: 161
- Thanks: 1
Kühlerlüfter laufen nicht
22 Apr. 2015 12:54
Hi Folks,
die Lüfter laufen nur bei eingeschalteter Klima.
- ich habe die Kabel des Kühlerthermostates überbrückt und die Zündung eingeschaltet. Das Relais reagiert, die Lüfter nicht
Hat jemand einen Tipp?
Eigenartig ist auch, dass ich vor ein paar Tagen den Deckel vom Relais abgenommen habe und den Kontakt runtergedrückt habe. Dann liefen die Lüfter. Jetzt jedoch nicht mehr.
die Lüfter laufen nur bei eingeschalteter Klima.
- ich habe die Kabel des Kühlerthermostates überbrückt und die Zündung eingeschaltet. Das Relais reagiert, die Lüfter nicht
Hat jemand einen Tipp?
Eigenartig ist auch, dass ich vor ein paar Tagen den Deckel vom Relais abgenommen habe und den Kontakt runtergedrückt habe. Dann liefen die Lüfter. Jetzt jedoch nicht mehr.
Bitte Anmelden oder Registrieren um der Konversation beizutreten.